Промышленный SIP-телефон J&R JREX101-CB-HB-SIP
Войдите в учётную запись, чтобы мы могли сообщить вам об ответе
Наличие товара J&R JREX101-CB-HB-SIP
Описание J&R JREX101-CB-HB-SIP
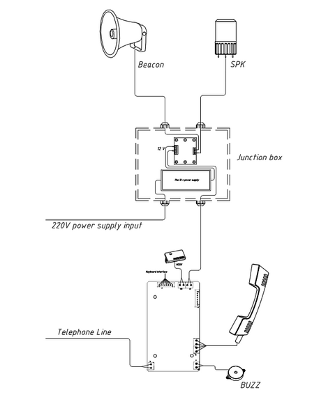
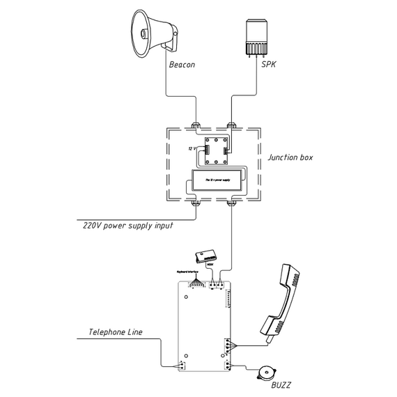
- Всепогодный взрывозащищенный промышленный SIP-телефон в комплекте с взрывозащищенными горном и проблесковым маяком. Изготовлен из литого под давлением алюминия с антикоррозионным эпоксидным порошковым покрытием и имеет степень защиты от окружающей среды IP67. Рекомендован для использования в метро, горнодобывающей промышленности, тоннелях, заводах, электростанциях, железных дорогах и т. д.
- Возможна поставка данного устройства в аналоговом исполнении и в различных цветах. Цены и условия уточняйте в отделе продаж компании "АйПиМатика".
- Внимание: поставка осуществляется в комплекте. По техническим особенностям невозможно дооснастить уже имеющийся взрывозащищенный телефон J&R горном и/или маяком. Стоимость устройства в комплекте только с горном или проблесковым маячком такая же, как и в полной комплектации.
- Гарантия 24 месяца.
- *Внешний вид устройства может отличаться от представленного.
- **Производитель оставляет за собой право без предварительного уведомления покупателя вносить изменения в конструкцию, комплектацию, технологию изготовления или технические характеристики изделия с целью улучшения его качества.
- *** Цена может отличаться от представленной на сайте в зависимости от объема заказа
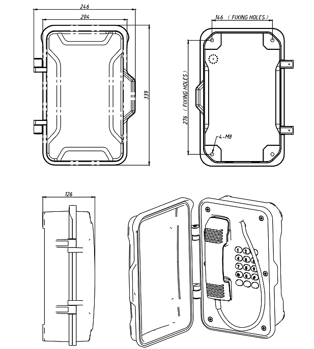
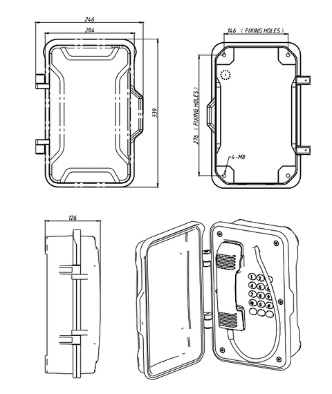
Физические характеристики
- Корпус из литого алюминия с антикоррозионным эпоксидным порошковым покрытием
- Защитная крышка из литого алюминия с антикоррозионным эпоксидным порошковым покрытием
- Бронированный провод из нержавеющей стали
- Степень защиты IP67
- Наработка на отказ – более 50 000 часов
- Устойчивость к перенапряжению и сверхпроводящим токам по стандарту ITU-T K.21
- Класс защиты:
Класс II 2G Ex e ib [ib] mb IIC T4 Gb
Класс III 2D Ex ib [ib] tb IIIC T135 °
-40 °C ≤ Ta ≤ +60 °C/+40°C
Зоны: 1, 2, 22 - Рабочая температура: от -40°C до +70°C
- Температура хранения: от -45°C до +85°C
- Размеры (Ш*В*Г): 200*300*440 мм
Сетевые характеристики
- SIP 2.0 (RFC3261)
- 2 SIP-линии
- 2хRJ45 Ethernet-порта 10/100Мбит/с
- Режимы работы с сетью: Статический/DHCP
- Поддержка VLAN
Звуковые характеристики
- Кодеки: G.711A/u, G.723 high/low, G.729, G.722, G.726
- Полнодуплексная связь
- Рингтон – пронзительная трель, 80 дБА на расcтоянии метра
- 110 дБА на расстоянии метра, при использовании горна.
Питание
- 12В, поддержка PoE
- Потребление питания: в активном режиме 1.8 Вт, в режиме ожидания 1.5 Вт
Прикрепленные файлы для товара J&R JREX101-CB-HB-SIP


